Web Analytics Made Easy - Statcounter
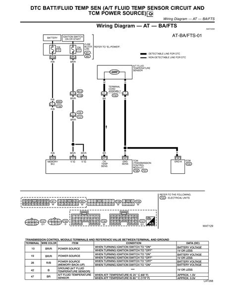
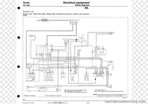
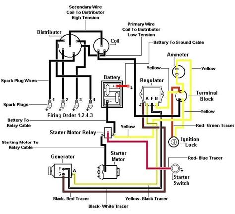
Holden Astra Wiring Diagram Free: The Australian Car Owner's Guide

Holden Astra Wiring Diagram Free: The Australian Car Owner's Guide

Holden Astra Wiring Diagram Free: The Australian Car Owner's Guide [diagram] holden astra wiring diagram